.:: DIGITAL BINARY MENORAH ::.
DIGITAL BINARY MENORAH
DIGITAL BINARY MENORAH
4 LED digital binary menorah (8 days). Using PIC16F916 microcontroller and 3D printed chassis.
VERSION 1.00
I recomend using a debouncing circuit for input button, in version 1.00.
Version 2.00 does not need this.


VERSION 2.00


STL FILE FOR VERSION 1.00 FOUNDATION

foundation1.stl
STL FILE FOR VERSION 2.00 FOUNDATION

foundation2.stl
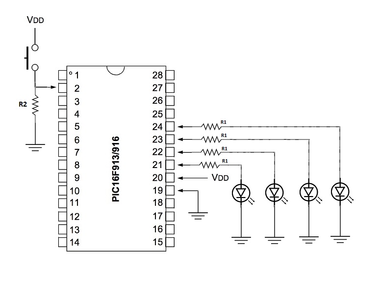
SCHEMATIC


VERSION 1.00 CODE IN GREAT COW BASIC
1 2 3 4 5 6 7 8 9 10 11 12 13 14 15 16 17 18 | ;Chip Settings #chip 16f916,8 #config OSC=INTRC_OSC_NOCLKOUT Dir PORTA.0 In Dir PORTB Out counter1 = 0 Do Forever Do Until PORTA.0 = 1 Loop Do Until PORTA.0 = 0 Loop counter1 = counter1 + 1 If counter1 > 8 Then counter1 = 0 end if PORTB = counter1 Loop |
digi_chan_001.hex
VERSION 2.00 CODE IN GREAT COW BASIC
1 2 3 4 5 6 7 8 9 10 11 12 13 14 15 16 17 18 19 20 21 22 23 24 | ;Chip Settings #chip 16F916,8 #config OSC=INTRC_OSC_NOCLKOUT Dir PORTA.0 In Dir PORTB Out counter = 0 cnt = 0 Do Forever Do While PORTA.0 = 1 cnt = cnt + 1 Wait 100 ms If cnt > 10 Then counter = counter + 1 cnt = 0 If counter > 8 Then counter = 0 end if PORTB = counter end if Loop cnt = 0 Loop |
digi_chan_002.hex